Choose your country or region


South Africa

EN

Canada

FR EN

México

ES EN

United States

EN

Australia

EN

China / 中国

ZH EN

India

EN

South Korea / 대한민국

KO EN

Malaysia

EN

Singapore

EN

Taiwan / 台灣

ZH EN

Thailand

EN

Vietnam

VI

Česká Republika

CS EN

Denmark

DA EN

Deutschland

DE EN

España

ES EN

France

FR EN

Ireland

EN

Österreich

DE EN

Polska

PL EN

Schweiz / Suisse / Svizzera

DE FR IT EN

Sweden

SV EN

Netherlands

NL EN

Norway

EN

Global

EN

請開始輸入以獲得建議。

搜索建議

Suggestions are being loaded.


產品建議

Suggestions are being loaded.


Selection criteria for self-tapping Ensat® inserts

Grouping of materials, types and finishes

selection criteria for self tapping ensat inserts

 

Material 
Group

Base material  Recommended works standards  Recommended Ensat® version
 I Tempered light metal alloys
more than 350 N/mm2 tensile strength
302/337
307/338
308
Steel case-hardened
zinc plated
Cast iron in higher hardness range.
Brass, bronze and other non-ferrous metals.
302 Steel case-hardened
zinc plated 
 II Light metal alloys up to
350 N/mm2 tensile strength
302/337
307/338
308
Steel case-hardened
zinc plated
Cast iron
302 Steel case-hardened
zinc plated
Brittle-rigid condensation resin plastics and
high-grade synthetic resins
302/337
307/338
308
Steel case-hardened
zinc plated
or Brass
 III Light metal alloys up to
300 N/mm2 tensile strength
302/337
307/338
308
Steel case-hardened
zinc plated
Soft cast iron
302 Steel case-hardened zinc plated
Condensation resin plastics of
medium hardness
302/337
307/338
308
Steel case-hardened
zinc plated
302 Brass
 IV Light metal alloys up to
250 N/mm2 tensile strength
302 Steel case-hardened
zinc plated
Soft metals and light metal alloys up to
180 N/mm2 tensile strength
302 Steel case-hardened
zinc plated or
stainless steel A1
Soft condensation resin plastics
laminates with resin bond
302

Steel case-hardened zinc plated or
Brass or
stainless steel A1

Soft polymerisation-, polycondensation- and
polyaddition plastic materials
Hardwoods
302 Steel case-hardened zinc plated or
Brass or
stainless steel A1
 V Hardwoods
309 Brass
 VI Softwoods and plywood
Wood fiber materials
309 Brass
 VII Soft polymerisation-, polycondensation- and polyaddition plastic materials
305 Brass
Recommended pilot hole diameters and material thickness / blind hole depths for threaded inserts Ensat®
The recommended hole diameter depends on the Ensat® external thread, the strength and the physical characteristics of the work-piece material.

Hard and brittle materials require a larger hole than soft and flexible ones. Whenever necessary, the most suitable hole diameter should be determined through application testing.
Ensat® Type 302
ensat type 302
Ensat® Type 307/308/337/338
ensat type 307 308 337 338
Ensat® Type 309
ensat type 309
Ensat® Type 305
ensat type 305
The pilot hole can be drilled or formed during die-casting

Countersinking the hole is usually not necessary; however it would facilitate installation and possibly prevent damage to the workpiece surface. It also would enable the insert to be flush with the work-piece.

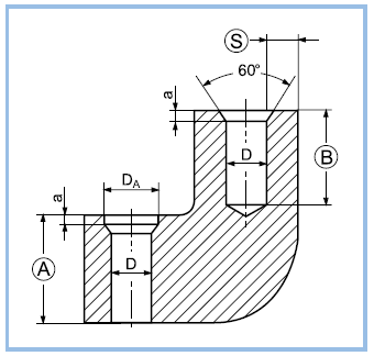
Material thickness:
Length of Ensat® = shortest permissible material thickness A

Blind hole depth: Minimum depth B

Minimum wall thickness: The wall thickness is dependant upon
the hardness and / or strength of the workpiece material.

Recommendation for light metals:  S ≥ 0,2 to ≥ 0,6 d2
Recommendation for cast iron: S ≥ 0,3 to ≥ 0,5 d2

d2 = Outside diameter [mm] of Ensat® insert

the pilot hole can be driller or formed during die casting

DA = + 0,2 to 0,4 mm
a = 1 to 1,5 x the pitch of the external thread